Oracle8i Application Developer's Guide - XML
Release 3 (8.1.7)

Part Number A86030-01

Library

Product

Contents

Index

Go to previous page Go to beginning of chapter Go to next page

Oracle XML Components and General FAQs, 13 of 18


Using Oracle XML Components to Generate XML Documents: Java

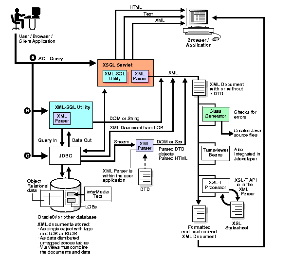
Figure 3-7 shows the Oracle XML Java components and how they can be used to generate an XML document. Available XML Java components are:

In the Java environment, when a user or client or application sends a query (SQL), there are three possible ways of processing the query using the Oracle XML components:

A. By the XSL Servlet (this includes using XSU and XML Parser)

B. Directly by the XSU (this includes XML Parser)

C. Directly by JDBC which then accesses XML Parser

Regardless of which way the stored XML-ized data is generated from the database, the resulting XML document output from the XML Parser is further processed, depending on what you or your application needs it for.

The XML document is formatted and customized by applying stylesheets and processed by the XSLT.

Figure 3-7 Using Oracle XML Components to Generate an XML Document - Java Options



Go to previous page Go to beginning of chapter Go to next page
Oracle
Copyright © 1996-2000, Oracle Corporation.

All Rights Reserved.

Library

Product

Contents

Index